Продукция

EM133 - Счетчик электроэнергии

Арт.: EM133

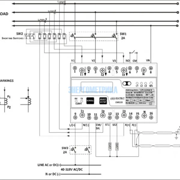
Многофункциональный счетчик электроэнергии EM133 является компактным трехфазным электросчетчиком и измерительным прибором.

Прибор обеспечивает трехфазные измерения параметров электроэнергии, включая показатели качества; мониторинг внешних событий посредством дискретных входов; взаимодействие с внешним оборудованием через контакты реле.

Счетчик электроэнергии EM133 производится в 3-х различных исполнениях согласно номинальному измеряемому току: 1А, 5А и 100А.

Совместно со счетчиком бесплатно поставляется русифицированное программное обеспечение PAS. С помощью PAS вы можете самостоятельно настроить режимы работы EM133, отслеживать онлайн измеряемые параметры, получать архивные файлы событий и измерений.

Для подключения прибора EM133 по току применяют разъемные трансформаторы тока.

Техническая документация

Параметры

Многофункциональный счетчик электроэнергии:

  • Многотарифная система учёта электроэнергии, класс точности 0.5S МЭК 62053-22:2003
  • Возможность пломбирования
  • В энергонезависимой памяти счетчика могут сохраняться как накопленные значения электроэнергии, так и профили нагрузки с различными интервалами (от 1 мин до 60 мин). Памяти прибора хватает для хранения 15-минутного профиля в течение 50 суток и 30-минутного профиля более 90 суток.
  • Многотарифная система учета TOU имеет 4 независимых тарифных регистра, 4 типа дня, 4 типа сезона и возможность изменить тип тарифа до 8 раз в день.
  • Энергонезависимые часы и календарь погрешность хода 1.3 сек/день
  • Защита от несанкционированного доступа с помощью пароля.

Многофункциональный измерительный преобразователь (МИП) – телемеханика, АСДУЭ:

  • Измерение напряжений, токов, частоты, мощностей, cosφ, несимметрии токов и напряжений, тока нейтрали и их усредненных значений.
  • 4 независимых аналоговых выхода, что позволяет использовать данный измерительный преобразователь в классических системах телемеханики и телеуправления.
  • Измерение действующих значений (True RMS)
  • Диапазон измерения токов 1-200% Iном
  • Класс точности 0.5S
  • EM133 оснащен 3 независимыми журналами для регистрации событий, данных и учета электроэнергии по тарифам.
  • Присвоение меток времени
  • Базовый контроль КЭ: измерение КИС по току и напряжению, индивидуальные гармоники (до 40)

Построение интеллектуальных сетей SMART GRID:

  • Автоматический контроль нагрузки и сигнализация о превышении нормативных параметров
  • Фиксация фактов реверса энергии и превышения порогов по мощности
  • 2 дискретных входа + 1 программируемое реле в базе
  • Возможность установки дополнительного модуля (реле, дискретные входы, дополнительный порт связи)
  • Возможность установки 4-х аналоговых выходов
  • 16 программируемых уставок, время срабатывания уставки 20 мсек.

Электросчетчик ЕМ133 идеально подходит для построения системы SMART GRID на распределительных подстанциях. Прибор имеет внутренний ПЛК состоящий из 16 программируемых уставок. При подключении дополнительного модуля прибор может быть оснащен 3-мя программируемыми реле и 6-ю дискретными входами.

Управление программируемым реле возможно как посредством программируемых уставок, так и через команду, посланную со стороны диспетчерского центра.

Счетчик электроэнергии ЕМ133 может дополнительно выполнять функции реле времени, реле обратной мощности, реле частоты, реле минимального напряжения и др.

Коммуникация:

  • Стандартный порт RS-485, INFRARED+ дополнительный порт на модуле
  • Протоколы: Modbus

Дисплей:

  • жидкокристаллический (2 х 16 символов)
Базовые параметры
Измеряемые параметры
EM133 EM132
Напряжение, ток, частота + +
Ток нейтрали + +

Полная мощность, активная мощность, реактивная мощность

+ +
Коэффициент мощности Cos φ общий и по-фазно + +

Несимметрия токов, несимметрия напряжений, порядок чередования фаз

+ +
Средний ток 3-фаз, среднее напряжение 3-фаз + +
Энергия, тарифы и память

Реактивная энергия (+./-), Активная энергия (+./-)

+ +

Многотарифный учет, количество тарифов

4/8 -
Журнал событий + +
Журнал данных (9 параметров, 1400 записей) + +

Точность измерения электроэнергии согласно МЭК 62053-21 / 62053-22 (ГОСТ52322-2005)

Class 0,5S Class 0,5S
Базовый контроль КЭ

Коэффициент гармонических искажений по напряжению (КИС)

+ +
Коэффициент гармонических искажений по току (КИС) + +
Индивидуальные гармоники по току и напряжению до 40-й + -
Программируемые уставки (мониторинг превышения заданных значений) + +
Осциллограммы (8 периодов в реальном времени) + -
Дополнительные параметры

Часы и метка времени

+ +

Счетчики и таймеры

+ +
2 дискретных входа + 1 релейный выход + -
Модульная конструкция + +

Регистрация максимумов и минимумов с присвоением метки времени

+ +
Бесплатное программное обеспечение PAS + +
Различия между ЕМ133 и ЕМ132
2 дискретных входа + 1 реле в базе + -
Многотарифный учет электроэнергии + -
Измерение индивидуальных гармоник (до 40-й) + -

Внешние трансформаторы тока для счетчика электроэнергии EM133
Модель Номинальный
первичный
ток
Внутренний
диаметр
Точность
трансформаторов
тока
Номинальный
вторичный
ток
CS1
CT1



100 А


12 мм


0.1%


40 мА
CS1L
CT1L

100 А

23 мм

0.1%

40 мА
CS1S
(разъемный)
CT1S


100 А


16 мм


0.5%


40 мА
CS2S
(разъемный)
CS2S
200 А 26x23.8 мм 0,5% 40 мА
CS2SL
(разъемный)
CS2S
200 А 23×33 мм 0,5% 40 мА
CS4
CT4

400 А

26 мм

0.1%

40 мА
CS4S
(разъемный)
CT4S



400 А



23x33 мм



0,5%



40 мА
CS8
(разъемный)
CT8S
800 A 100x32 мм 0,5% 40 мА
CS8S
(разъемный)
CT8S


800 А


80x50 мм


0,5%


40 мА
CS12S
(разъемный)
CT12S



1200 А



80x121 мм



0,5%



40 мА

Вам может быть интересно

AcuRev 1310 - Счетчик электроэнергии на DIN-рейку

Измерительный прибор AcuRev 1310 предназначен для реализации недорогих и эффективных решений в области организации контроля электропотребления в разветвлённых системах.

BFM-II - Многоканальный счётчик электроэнергии

BFM-II идеально подходит как для новых, так и для модернизированных проектов. Он автоматически предоставляет данные измерений, потребления и энергии, а также данные о нескольких тарифах (TOU).

xGate6 - Интеллектуальный шлюз

Интеллектуальный шлюз - xGate6 позволяет выполнять автоматизированное управление и обслуживание и мониторинг различных смарт-устройств: счетчиков электроэнергии, теплосчетчиков, счетчиков воды, датчиков температуры и влажности.

DFPM93 - Трехфазный электрический счетчик

Трехфазный счётчик электроэнергии DFPM93 (с установкой на DIN-рейку) предназначен для измерения потребленной активной энергии, а так же измерению основных параметров электрической энергии трехфазной сети. Дополнив измерительный прибор токовыми клещами с выходным сигналом 5А TTC-CCT, измеритель можно использовать в качестве переносного прибора.

DFPM9511 - Однофазный счетчик электроэнергии

DFPM9511 - это однофазный счетчик энергии с установкой на DIN-рейку, который может точно измерять потребление энергии. Счетчик DFPM9511 имеет встроенное реле, для осуществления дистанционного управления нагрузкой включения/выключения цепи. Максимальный ток подключения счетчика 80A.

Недавно просмотренные

EMF5600 - Измеритель расхода газа
EMF5600 - Измеритель расхода газа

Измеритель расхода газа EMF5600 применяется там , где дисплей необходимо размещать отдельно от проточного канала или корпуса счетчика, например, в системе измерения кислорода в больнице. 

KV-CW - Измеритель проводимости воды
KV-CW - Измеритель проводимости воды

Измеритель проводимости воды применяется для непрерывного мониторинга и контроля в электростанциях, нефтехимии, металлургической электронике, горнодобывающей, бумажной, полупроводниковой, фармацевтической, пищевой и питьевой промышленности, водоочистке, сельском хозяйстве и других секторах.

EM133 - Счетчик электроэнергии
EM133 - Счетчик электроэнергии

Многофункциональный счетчик электроэнергии EM133 является компактным трехфазным электросчетчиком и  измерительным прибором.