Продукция

PTL-6 - Преобразователь давления жидкости

Арт.: PTL-6

Преобразователь давления жидкости PTL-6 применяется в отопительных контурах, системах подачи воды, в том числе горячей, системах охлаждения и кондиционирования для контроля относительного давления жидкости.

При помощи данного передатчика давления можно определять относительное давление рабочей жидкости в диапазоне от 0 до 6 бар с точностью до ± 0,7 %. Допустимый диапазон температуры рабочей жидкости составляет -40С … +125С.

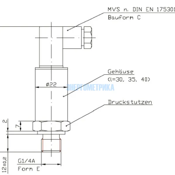
Измерительный элемент преобразователя давления жидкости выполнен из качественной нержавеющей стали. Диафрагмой служит тонкопленочный резистор из полисиликона.

Допустима двукратная номинальному давлению перегрузка устройства и не превышающие трёхкратного номинального давления скачки давления в системе в соответствии со стандартом IEC 68-2-32.

Техническая документация

Параметры

Выходной сигнал напряжения преобразователя давления жидкости PTL-6-V 0-10 В имеет следующие характеристики:

  • минимальная нагрузка 5кОм,
  • напряжение 24 В AC или 15-24 В DC

Выходной токовый сигнал PTL-6-А 4-20 мА имеет такие характеристики:

  • максимальная нагрузка 900 Ом,
  • напряжение 15-24 В DC.

Подробнее технические характеристики Вы можете скачать в разделе ТЕХНИЧЕСКАЯ ДОКУМЕНТАЦИЯ.

PTL - Датчик давления воды, измерительный преобразователь жидкости, воды

Тип

Диапазон измерения Выходной сигнал Точность, % полной шкалы
(температура -20...85°C)

PTL-4-V

0…4 бар 0...10 В ±0,7%

PTL-4-A

0…4 бар 4...20 мА ±0,7%

PTL-6-V

0…6 бар 0...10 В ±0,7%

PTL-6-A

0…6 бар 4...20 мА ±0,7%

PTL-10-V

0…10 бар 0...10 В ±0,7%

PTL-10-A

0…10 бар 4...20 мА ±0,7%

PTL-16-V

0…16 бар 0...10 В ±0,7%

PTL-16-A

0…16 бар 4...20 мА ±0,7%

PTL-25-V

0…25 бар 0...10 В ±0,7%

PTL-25-A

0…25 бар 4...20 мА ±0,7%

Вам может быть интересно

PTL-16 - Датчик давления воды в системе водоснабжения

PTL-16 - датчик давления воды в системе водоснабжения с диапазоном измерения относительного давления 0...16 бар. Выходной сигнал 0...10 В (PTL-16-V) или 4...20 мА (PTL-16-A).

PTL-10 - Измерительный преобразователь воды

PTL-10 - измерительный преобразователь воды с диапазоном измерения относительного давления 0...10 бар. Выходной сигнал 0...10 В (PTL-10-V) или 4...20 мА (PTL-10-A).

PTL-25 - Электронный датчик давления воды

PTL-25 - электронный датчик давления воды с диапазоном измерения относительного давления 0...25 бар. Выходной сигнал 0...10 В (PTL-25-V) или 4...20 мА (PTL-25-A).

PTL-6 - Преобразователь давления жидкости

Преобразователь давления жидкости PTL-6 применяется в отопительных контурах, системах подачи воды, в том числе горячей, системах охлаждения и кондиционирования для контроля относительного давления жидкости.

PTL-4 - Датчик давления воды

Датчик давления воды PTL-4 используется для определения относительного давления рабочих жидкостей в системах горячего и холодного водоснабжения, кондиционирования, отопления и охлаждения.

Недавно просмотренные

ADT-23-3410 - Датчик этилена, датчик концентрации этилена
ADT-23-3410 - Датчик этилена, датчик концентрации этилена

Датчик этилена - ADT-23-3410 служит для контроля концентрации паров этилена в воздухе промышленных или коммерческих помещений.

EnergoM-5001-NaOH - Анализатор растворов кислот и щелочи
EnergoM-5001-NaOH - Анализатор растворов кислот и щелочи

Анализатор растворов кислот и щелочи EnergoM-5001-NaOH представляет собой новое поколение миниатюрных высококачественных устройств. Он оснащен дисплеем с англоязычным меню и продвинутыми интеллектуальными функциями, обеспечивает высокую точность измерений и может использоваться в различных условиях.

EYD-2000 - Манометр давления жидкости и газа
EYD-2000 - Манометр давления жидкости и газа

Манометр давления жидкости и газа EYD-2000 применяется в медицине и здравоохранении, микроэлектроники, аэрокосмической промышленности, экологической инженерии, биоинженерии, фармацевтики, кондиционирования воздуха, пищевой промышленности.

MA-9-1129 - Датчик оксида азота (NO) mu-Gard, с электрохимическим сенсором
MA-9-1129 - Датчик оксида азота (NO) mu-Gard, с электрохимическим сенсором

MA-9-1129 - Аналоговый датчик оксида азота (NO) серии μ-Gard с электрохимическим сенсором предназначен для непрерывного мониторинга оксида азота в окружающем воздухе.

PTL-6 - Преобразователь давления жидкости
PTL-6 - Преобразователь давления жидкости

Преобразователь давления жидкости PTL-6 применяется в отопительных контурах, системах подачи воды, в том числе горячей, системах охлаждения и кондиционирования для контроля относительного давления жидкости.