Продукция

PTL-4 - Датчик давления воды

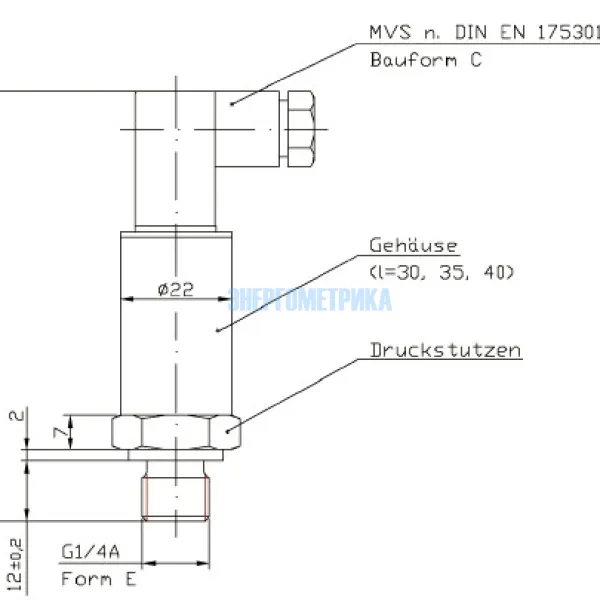
Арт.: PTL-4

Датчик давления воды PTL-4 используется для определения относительного давления рабочих жидкостей в системах горячего и холодного водоснабжения, кондиционирования, отопления и охлаждения.

Измерительный элемент из качественной нержавеющей стали с диафрагмой в виде полисиликонового тонкопленочного резистора определяет давление рабочей среды с температурой от -40 оС до +125 оС.

Устройство позволяет измерять относительное давление жидкостей с точностью до ± 0,7 % в диапазоне от 0 до 4 бар. Допускается перегрузка прибора в размере двойного номинального давления, а кратковременные скачки давления не должны превышать тройного номинального давления согласно нормам IEC 68-2-32.

Минимальная нагрузка выходного сигнала PTL-4-V 0-10 В 5 кОм, напряжение 15-24 В DC или 24 В AC.

Максимальная нагрузка выходного сигнала PTL-4-A 4-20 мА 900 Ом, напряжение 15-24 В DC.

Для правильной работы датчика давления воды температура окружающей среды должна находиться в диапазоне от -40 оС до +105 оС.

Техническая документация

Параметры

Подробнее технические характеристики Вы можете скачать в разделе ТЕХНИЧЕСКАЯ ДОКУМЕНТАЦИЯ.

PTL - Датчик давления воды, измерительный преобразователь жидкости, воды

Тип

Диапазон измерения Выходной сигнал Точность, % полной шкалы
(температура -20...85°C)

PTL-4-V

0…4 бар 0...10 В ±0,7%

PTL-4-A

0…4 бар 4...20 мА ±0,7%

PTL-6-V

0…6 бар 0...10 В ±0,7%

PTL-6-A

0…6 бар 4...20 мА ±0,7%

PTL-10-V

0…10 бар 0...10 В ±0,7%

PTL-10-A

0…10 бар 4...20 мА ±0,7%

PTL-16-V

0…16 бар 0...10 В ±0,7%

PTL-16-A

0…16 бар 4...20 мА ±0,7%

PTL-25-V

0…25 бар 0...10 В ±0,7%

PTL-25-A

0…25 бар 4...20 мА ±0,7%

Вам может быть интересно

PTL-10 - Измерительный преобразователь воды

PTL-10 - измерительный преобразователь воды с диапазоном измерения относительного давления 0...10 бар. Выходной сигнал 0...10 В (PTL-10-V) или 4...20 мА (PTL-10-A).

PTL-6 - Преобразователь давления жидкости

Преобразователь давления жидкости PTL-6 применяется в отопительных контурах, системах подачи воды, в том числе горячей, системах охлаждения и кондиционирования для контроля относительного давления жидкости.

PTL-4 - Датчик давления воды

Датчик давления воды PTL-4 используется для определения относительного давления рабочих жидкостей в системах горячего и холодного водоснабжения, кондиционирования, отопления и охлаждения.

PTL-16 - Датчик давления воды в системе водоснабжения

PTL-16 - датчик давления воды в системе водоснабжения с диапазоном измерения относительного давления 0...16 бар. Выходной сигнал 0...10 В (PTL-16-V) или 4...20 мА (PTL-16-A).

PTL-25 - Электронный датчик давления воды

PTL-25 - электронный датчик давления воды с диапазоном измерения относительного давления 0...25 бар. Выходной сигнал 0...10 В (PTL-25-V) или 4...20 мА (PTL-25-A).

Недавно просмотренные

PTL-10 - Измерительный преобразователь воды
PTL-10 - Измерительный преобразователь воды

PTL-10 - измерительный преобразователь воды с диапазоном измерения относительного давления 0...10 бар. Выходной сигнал 0...10 В (PTL-10-V) или 4...20 мА (PTL-10-A).

PTL-4 - Датчик давления воды
PTL-4 - Датчик давления воды

Датчик давления воды PTL-4 используется для определения относительного давления рабочих жидкостей в системах горячего и холодного водоснабжения, кондиционирования, отопления и охлаждения.

SW-3E-PL - Механическое реле потока жидкости
SW-3E-PL - Механическое реле потока жидкости

Механическое реле потока жидкости SW-3E-PL используется для управления потоком жидкостей или газообразных сред в различных трубопроводах диаметром 1/2".

TMTG-1E - Счетчик электроэнергии для технического учета электроэнергии
TMTG-1E - Счетчик электроэнергии для технического учета электроэнергии

TMTG-1E - счетчик электроэнергии для технического учета электроэнергии, многофункциональный регистратор напряжения и тока, измерительный преобразователь параметров электросети применяется для измерения, регистрации и передачи результатов измерения в форме аналоговых и цифровых сигналов (RS485, Modbus RTU). Измерения производятся в однофазной сети.