Продукция

PTL-10 - Измерительный преобразователь воды

Арт.: PTL-10

PTL-10 - измерительный преобразователь воды с диапазоном измерения относительного давления 0...10 бар. Выходной сигнал 0...10 В (PTL-10-V) или 4...20 мА (PTL-10-A).

Прибор PTL-10 служит для измерения давления жидкостей в области кондиционирования, отопления и водопроводных системах. Подходит для систем охлаждения.

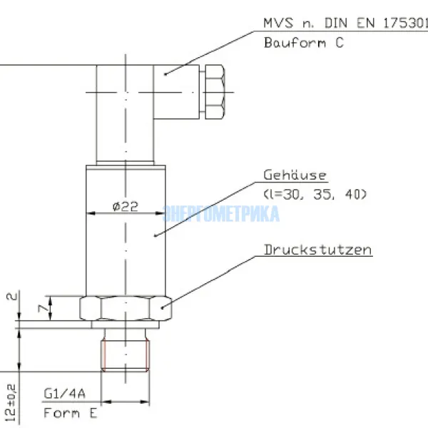
Техническая документация

Параметры

Основные характеристики


• Выходной сигнал
PTL-10-V - 0...10 В, мин.нагрузка 5 кОм
PTL-10-A - 4...20 мА, макс. нагрузка 900 Ом
• Напряжение питания 15...24 В DC (±10%) или 24 В AC (±10%) (PTL-10-V)
• Тип давления - относительное
• Перегрузка - двойное номинальное давление
• Скачок давления - тройное номинальное давление
• Измерительный элемент - нержавеющая сталь. Диафрагма - тонкопленочный полисиликоновый резистор.
• Рабочая температура -40...125°C
• Температура окружающей среды -40...105°C
• Нормы и стандарты: 89/336/EEC (электромагнитная совместимость), 73/23/EEC (низкое напряжение), EN55022, EN61000-4-3, IEC 68-2-32 (устойчивость к скачкам давления), IEC 68-2-06 и IEC 68-2-36 (сопротивление вибрации)

Подробнее технические характеристики Вы можете скачать в разделе ТЕХНИЧЕСКАЯ ДОКУМЕНТАЦИЯ.

PTL - Датчик давления воды, измерительный преобразователь жидкости, воды

Тип

Диапазон измерения Выходной сигнал Точность, % полной шкалы
(температура -20...85°C)

PTL-4-V

0…4 бар 0...10 В ±0,7%

PTL-4-A

0…4 бар 4...20 мА ±0,7%

PTL-6-V

0…6 бар 0...10 В ±0,7%

PTL-6-A

0…6 бар 4...20 мА ±0,7%

PTL-10-V

0…10 бар 0...10 В ±0,7%

PTL-10-A

0…10 бар 4...20 мА ±0,7%

PTL-16-V

0…16 бар 0...10 В ±0,7%

PTL-16-A

0…16 бар 4...20 мА ±0,7%

PTL-25-V

0…25 бар 0...10 В ±0,7%

PTL-25-A

0…25 бар 4...20 мА ±0,7%

Вам может быть интересно

PTL-16 - Датчик давления воды в системе водоснабжения

PTL-16 - датчик давления воды в системе водоснабжения с диапазоном измерения относительного давления 0...16 бар. Выходной сигнал 0...10 В (PTL-16-V) или 4...20 мА (PTL-16-A).

PTL-10 - Измерительный преобразователь воды

PTL-10 - измерительный преобразователь воды с диапазоном измерения относительного давления 0...10 бар. Выходной сигнал 0...10 В (PTL-10-V) или 4...20 мА (PTL-10-A).

PTL-25 - Электронный датчик давления воды

PTL-25 - электронный датчик давления воды с диапазоном измерения относительного давления 0...25 бар. Выходной сигнал 0...10 В (PTL-25-V) или 4...20 мА (PTL-25-A).

PTL-6 - Преобразователь давления жидкости

Преобразователь давления жидкости PTL-6 применяется в отопительных контурах, системах подачи воды, в том числе горячей, системах охлаждения и кондиционирования для контроля относительного давления жидкости.

PTL-4 - Датчик давления воды

Датчик давления воды PTL-4 используется для определения относительного давления рабочих жидкостей в системах горячего и холодного водоснабжения, кондиционирования, отопления и охлаждения.

Недавно просмотренные

PTL-10 - Измерительный преобразователь воды
PTL-10 - Измерительный преобразователь воды

PTL-10 - измерительный преобразователь воды с диапазоном измерения относительного давления 0...10 бар. Выходной сигнал 0...10 В (PTL-10-V) или 4...20 мА (PTL-10-A).

SW-3E-PL - Механическое реле потока жидкости
SW-3E-PL - Механическое реле потока жидкости

Механическое реле потока жидкости SW-3E-PL используется для управления потоком жидкостей или газообразных сред в различных трубопроводах диаметром 1/2".

TMTG-1E - Счетчик электроэнергии для технического учета электроэнергии
TMTG-1E - Счетчик электроэнергии для технического учета электроэнергии

TMTG-1E - счетчик электроэнергии для технического учета электроэнергии, многофункциональный регистратор напряжения и тока, измерительный преобразователь параметров электросети применяется для измерения, регистрации и передачи результатов измерения в форме аналоговых и цифровых сигналов (RS485, Modbus RTU). Измерения производятся в однофазной сети.