Продукция

1GA-50916/CO - Детектор угарного газа (СО)

Арт.: 1GA-50916/CO

Снят с производства. Ближайший аналог EnergoM-3001-CO.

Техническая документация

Параметры

Таблица порогов и времени срабатывания сигнализации
Концентрация СО в воздухе: Сигнализация не срабатывает до: Сигнализация срабатывает до:
30 ppm 120 мин -
50 ppm 60 мин 90 мин
100 ppm 10 мин 40 мин
300 ppm - 3 мин

Особенности детектора угарного газа:

  • Детектор угарного газа 1GA-50916/CO имеет светодиодную сигнализацию и встроенный звонок.
  • При подаче питания на датчик угарного газа будет гореть зеленый светодиод.
  • Если концентрация угарного газа СО в помещении превышает опасный уровень, прибор переключается в состояние сигнализации; в этом случае загорается красный индикатор, а встроенный звонок воспроизводит два коротких сигнала каждые 2 секунды.
  • Если желтый светодиод постоянно горит, это указывает на повреждение или неисправность, обнаруженную системой самодиагностики прибора.
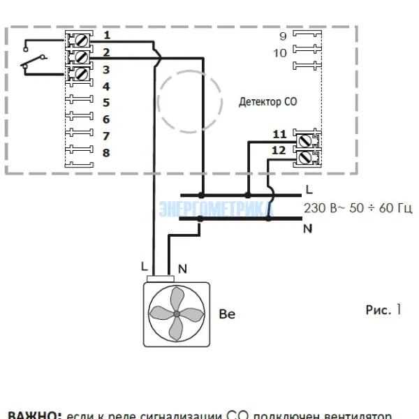
Технические характеристики детектора угарного газа - 1GA-50916/CO
Напряжение питания 230В, 50...60 Гц
Релейный выход 1 переключающий контакт с нулевым потенциалом
Нагрузочная способность контакта реле (макс.) 5(2)А/250В
Степень защиты IP62
Изоляция Класc II
Монтаж Настенный
Габаритные размеры, вес 185 x 86 x 50 мм, 350 г
Условия эксплуатации Рабочая температура -10°…+40°C
Относительная влажность не более 90%
Стандарты для маркировки СЕ LVD EN 50191
Директивы 73/23/СЕЕ - 89/366/СЕЕ EMC EN 50270

Вам может быть интересно

ADT-03-1110 - Датчик угарного газа (СО)

Датчик угарного газа (СО) ADT-03-1110 служит для выявления наличия и дальнейшего контроля концентрации угарного газа в воздухе.

ADT-13-1110 - Анализатор угарного газа (СО)

Анализатор угарного газа ADT-13-1110 служит для выявления и непрерывного мониторинга концентрации содержания угарного газа в различных отраслях коммерческого и промышленного использования.

EnergoM-3001-CO - Датчик угарного газа

Датчик угарного газа EnergoM-3001-CO предназначен для непрерывного измерения концентрации угарного газа в окружающем воздухе. Детектор EnergoM-3001-CO может быть изготовлен по желанию заказчика с дисплеем или без него, в настенном, канальном исполнениях или с выносным датчиком (до 1 метра).

PW-918 - Сигнализатор загазованности на монооксид углерода (СО)

Сигнализатор загазованности на монооксид углерода (СО) PW-918 представляет собой датчик для обнаружения угарного газа. Датчик CO PW-918 идеально подходит для обнаружения и защиты от отравления угарным газом. Главное достоинство PW-918 - низкая цена.

MD-1-1110 - Цифровой трансмиттер со встроенным датчиком угарного газа (CO) с интерфейсом RS-485

MD-1-1110 - цифровой трансмиттер μ-Gard с серийным интерфейсом RS-485 и встроенным датчиком CO для определения угарного газа.

Недавно просмотренные

1GA-50916/CO - Детектор угарного газа (СО)
1GA-50916/CO - Детектор угарного газа (СО)

Снят с производства. Ближайший аналог EnergoM-3001-CO.