Продукция

EM132 - Многофункциональный измерительный преобразователь

Арт.: EM132

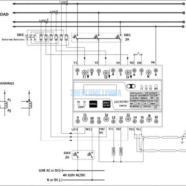
Прибор EM132 является компактным трехфазным многофункциональным измерительным прибором.

Дополнив измерительный прибор токовыми клещами с выходным сигналом 5А TTC-CCT, измеритель можно использовать в качестве переносного прибора.

С прибором применяются разъемные трансформаторы тока.

Многофункциональный измерительный преобразователь EM132 обеспечивает трехфазные измерения параметров электроэнергии, включая показатели качества, мониторинг внешних событий посредством дискретных входов, взаимодействие с внешним оборудованием через контакты реле.

Счетчик электроэнергии EM132 производится в 3-х различных исполнениях согласно номинальному измеряемому току: 1А, 5А и 100А.

Совместно с счетчиком бесплатно поставляется русифицированное программное обеспечение PAS. С помощью PAS вы можете самостоятельно настроить режимы работы EM132, отслеживать онлайн измеряемые параметры, получать архивные файлы событий и измерений.

Для подключения прибора EM133 по току применяют разъемные трансформаторы тока.

Техническая документация

Параметры

Многофункциональный счетчик электроэнергии:

- Многотарифная система учёта электроэнергии, класс точности 0.5S МЭК 62053-22:2003 (только для EM133)

- В энергонезависимой памяти счетчика могут сохраняться как накопленные значения электроэнергии, так и профили нагрузки с различными интервалами (от 1 мин до 60 мин). Памяти прибора хватает для хранения 15-минутного профиля в течение 50 суток и 30-минутного профиля более 90 суток.

- Многотарифная система учета TOU имеет 4 независимых тарифных регистра, 4 типа дня, 4 типа сезона и возможность изменить тип тарифа до 8 раз в день. (только для EM133)

- Энергонезависимые часы и календарь погрешность хода 1.3 сек/день

- Защита от несанкционированного доступа с помощью пароля.

Многофункциональный измерительный преобразователь (МИП) – телемеханика, АСДУЭ:

- Измерение напряжений, токов, частоты, мощностей, cosφ, несимметрии токов и напряжений, тока нейтрали и их усредненных значений.

- 4 независимых аналоговых выхода, что позволяет использовать данный измерительный преобразователь в классических системах телемеханики и телеуправления.

- Измерение действующих значений (True RMS)

- Диапазон измерения токов 1-200% Iном

- Класс точности 0.5S

- Журнал событий, журнал для записи данных

- Присвоение меток времени

- Базовый контроль КЭ: измерение КИС по току и напряжению, индивидуальные гармоники до 40-й (только для EM133)

Построение интеллектуальных сетей SMART GRID:

- Автоматический контроль нагрузки и сигнализация о превышении нормативных параметров

- Фиксация фактов реверса энергии и превышения порогов по мощности

- 2 дискретных входа + 1 программируемое реле в базе (только для EM133)

- Возможность установки дополнительного модуля (реле, дискретные входы, дополнительный порт связи)

- Возможность установки 4-х аналоговых выходов

- 16 программируемых уставок, время срабатывания уставки 20 мсек.


Коммуникация:

- Стандартный порт RS-485, INFRARED+ дополнительный порт на модуле

- Протоколы: Modbus

Дисплей:

- жидкокристаллический (2 х 16 символов)

Базовые параметры
Измеряемые параметры
EM133 EM132
Напряжение, ток, частота + +
Ток нейтрали + +

Полная мощность, активная мощность, реактивная мощность

+ +
Коэффициент мощности Cos φ общий и по-фазно + +

Несимметрия токов, несимметрия напряжений, порядок чередования фаз

+ +
Средний ток 3-фаз, среднее напряжение 3-фаз + +
Энергия, тарифы и память

Реактивная энергия (+./-), Активная энергия (+./-)

+ +

Многотарифный учет, количество тарифов

4/8 -
Журнал событий + +
Журнал данных (9 параметров, 1400 записей) + +

Точность измерения электроэнергии согласно МЭК 62053-21 / 62053-22 (ГОСТ52322-2005)

Class 0,5S Class 0,5S
Базовый контроль КЭ

Коэффициент гармонических искажений по напряжению (КИС)

+ +
Коэффициент гармонических искажений по току (КИС) + +
Индивидуальные гармоники по току и напряжению до 40-й + -
Программируемые уставки (мониторинг превышения заданных значений) + +
Осциллограммы (8 периодов в реальном времени) + -
Дополнительные параметры

Часы и метка времени

+ +

Счетчики и таймеры

+ +
2 дискретных входа + 1 релейный выход + -
Модульная конструкция + +

Регистрация максимумов и минимумов с присвоением метки времени

+ +
Бесплатное программное обеспечение PAS + +
Различия между ЕМ133 и ЕМ132
2 дискретных входа + 1 реле в базе + -
Многотарифный учет электроэнергии + -
Измерение индивидуальных гармоник (до 40-й) + -

Внешние трансформаторы тока для счетчика электроэнергии EM132
Модель Номинальный
первичный
ток
Внутренний
диаметр
Точность
трансформаторов
тока
Номинальный
вторичный
ток
CS1
CT1



100 А


12 мм


0.1%


40 мА
CS1L
CT1L

100 А

23 мм

0.1%

40 мА
CS1S
(разъемный)
CT1S


100 А


16 мм


0.5%


40 мА
CS2S
(разъемный)
CS2S
200 А 26x23.8 мм 0,5% 40 мА
CS2SL
(разъемный)
CS2S
200 А 23×33 мм 0,5% 40 мА
CS4
CT4

400 А

26 мм

0.1%

40 мА
CS4S
(разъемный)
CT4S



400 А



23x33 мм



0,5%



40 мА
CS8
(разъемный)
CT8S
800 A 100x32 мм 0,5% 40 мА
CS8S
(разъемный)
CT8S


800 А


80x50 мм


0,5%


40 мА
CS12S
(разъемный)
CT12S



1200 А



80x121 мм



0,5%



40 мА

Вам может быть интересно

PM130P PLUS ECT - Многофункциональный измерительный преобразователь SATEC с внешними трансформаторами тока

PM130P PLUS ECT — многофункциональный измерительный преобразователь с внешними трансформаторами тока, представитель новой серии приборов PM130P PLUS.

PM130EH Plus - Многофункциональный измерительный преобразователь SATEC

Многофункциональный измерительный преобразователь PM130EH PLUS — расширенная модель новой серии приборов PM130 PLUS, измеряющая напряжение, ток, частоту, мощность, интегрируемую мощность, cosф, энергию, гармоники. Дополнив измерительный прибор токовыми клещами с выходным сигналом 5А TTC-CCT, измеритель можно использовать в качестве переносного прибора.

PM130E Plus ECT - Многофункциональный измерительный преобразователь SATEC с внешними трансформаторами тока

PM130E PLUS ECT — многофункциональный измерительный преобразователь с внешними трансформаторами тока, представитель новой серии приборов PM130E PLUS. Дополнив измерительный прибор токовыми клещами с выходным сигналом 5А TTC-CCT, измеритель можно использовать в качестве переносного прибора.

EnergoM-94-Y - Трехфазный измеритель параметров электроэнергии для монтажа на панели

Измеритель параметров электроэнергии  EnergoM-94-Y - это устройство для определения качества электроэнергии в трехфазной электрической сети, оно обеспечивает потребление и выработку энергии, THD (полное гармоническое искажение) и считывание индивидуальных гармонических данных. 

PM130EH PLUS ECT - Многофункциональный измерительный преобразователь SATEC с внешними трансформаторами тока

PM130EH PLUS ECT — многофункциональный измерительный преобразователь с внешними трансформаторами тока, представитель новой серии приборов PM130EH PLUS. Дополнив измерительный прибор токовыми клещами с выходным сигналом 5А TTC-CCT, измеритель можно использовать в качестве переносного прибора.

Недавно просмотренные

MA-4-3H80 - Датчик пропана C3H8 mu-Gard, с полупроводниковым сенсором
MA-4-3H80 - Датчик пропана C3H8 mu-Gard, с полупроводниковым сенсором

MA-4-3H80 - Аналоговый датчик пропана (С3H8) с полупроводниковым сенсором серии μ-Gard предназначен для непрерывного мониторинга пропана в окружающем воздухе.

EM132 - Многофункциональный измерительный преобразователь
EM132 - Многофункциональный измерительный преобразователь

Прибор EM132 является компактным трехфазным многофункциональным измерительным прибором. Дополнив измерительный прибор токовыми клещами с выходным сигналом 5А TTC-CCT, измеритель можно использовать в качестве переносного прибора.

PW-918 - Сигнализатор загазованности на монооксид углерода (СО)
PW-918 - Сигнализатор загазованности на монооксид углерода (СО)

Сигнализатор загазованности на монооксид углерода (СО) PW-918 представляет собой датчик для обнаружения угарного газа. Датчик CO PW-918 идеально подходит для обнаружения и защиты от отравления угарным газом. Главное достоинство PW-918 - низкая цена.