Продукция

FM010 - Шинный модуль к Modbus-регулятору для вентиляторных конвекторов

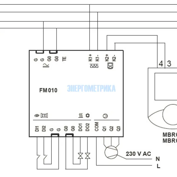
Арт.: FM010

FM010 - Встраиваемый коммуникационный шинный модуль к Modbus-регулятору THERMASREG®.

Предназначен для применения в климат-конвекторах и системах кондиционирования и отопления (для устройств с 3 и менее вентиляторными ступенями, для одного вентиля отопления и одного вентиля охлаждения).

Техническая документация

Параметры

Modbus-регулятор FM010 может эксплуатироваться как независимо, так и совместно с устройствами регулирования более высокого уровня (мини-ПЛК или программный ПЛК), с автоматизированной системой управления здания (АСУЗ, RcWare Vision) или с другой системой контроля, управления и сбора данных, способной работать в режиме ведущего устройства (master) Modbus.

Конечным устройством для помещений может служить MBR010 или MBR011.

Подробнее технические характеристики Вы можете скачать в разделе ТЕХНИЧЕСКАЯ ДОКУМЕНТАЦИЯ.

Вам может быть интересно

MBR011 - Modbus-регулятор для вентиляторных конвекторов, с ЖК-дисплеем, с гальванической развязкой

MBR011 - Коммуникационные Modbus-регуляторы THERMASREG® служат для регулирования температуры с использованием систем кондиционирования и климат-конвекторов (для устройств с 3 и менее вентиляторными ступенями, для вентилей отопления и охлаждения).

MBR300 - Коммуникационный Modbus-регулятор для устройств отопления и систем подогрева пола, с дисплеем

MBR300 - коммуникационный Modbus-регулятор THERMASREG®, служит для контроля, передачи данных и регулирования температуры в помещении с использованием систем отопления и охлаждения. Оснащается большим дисплеем, отличающимся легкой читаемостью, и управляется одной ручкой-кнопкой (нажатие-поворот-нажатие).

MBR200 - Коммуникационный Modbus-регулятор для устройств отопления и кондиционирования воздуха, с дисплеем

MBR200 - коммуникационный Modbus-регулятор THERMASREG®, служит для контроля, передачи данных и регулирования температуры в помещении с использованием систем отопления и охлаждения. Оснащается большим дисплеем, отличающимся легкой читаемостью, и управляется одной ручкой-кнопкой (нажатие-поворот-нажатие).

MBR100 - Коммуникационный Modbus-регулятор для устройств отопления и кондиционирования воздуха, с дисплеем

Регулятор MBR100 предназначен для измерения температуры воздуха в помещениях, передачи данных измерений элементам автоматизированных систем управления и регулирования температуры при помощи систем охлаждения или отопления.

FM010 - Шинный модуль к Modbus-регулятору для вентиляторных конвекторов

FM010 - Встраиваемый коммуникационный шинный модуль к Modbus-регулятору THERMASREG®.

Недавно просмотренные

ADT-23-3460 - Датчик н-бутана, датчик концентрации н-бутана (C4H10)
ADT-23-3460 - Датчик н-бутана, датчик концентрации н-бутана (C4H10)

Датчик н-бутана - ADT-23-3460 служит для выявления и контроля уровня содержания в воздухе помещений паров н-бутана.

ADT-23-3498 - Датчик паров авиационного керосина (JP8), датчик концентрации паров авиационного керосина
ADT-23-3498 - Датчик паров авиационного керосина (JP8), датчик концентрации паров авиационного керосина

Датчик паров авиационного керосина -  ADT-23-3498 служит для обнаружения в воздухе следов авиационного керосина JP8 и контроля уровня его концентрации.

ADT-53-1193 - Датчик хлора (Cl2)
ADT-53-1193 - Датчик хлора (Cl2)

Датчик хлора (Cl2) ADT-53-1193 используется для непрерывного мониторинга содержания паров хлора в воздухе различных помещений, используемых в коммерческих или производственных целях.

ADT-53-1197 - Детектор сероводорода (H2S)
ADT-53-1197 - Детектор сероводорода (H2S)

Детектор сероводорода ADT-53-1197 дает возможность непрерывно наблюдать за уровнем содержания в воздухе различных помещений коммерческого и промышленного назначения паров сероводорода.

AXM WEB2 - Модуль Ethernet для анализатора качества электроэнергии Acuvim II
AXM WEB2 - Модуль Ethernet для анализатора качества электроэнергии Acuvim II

Модуль AXM WEB2 обеспечивает Ethernet-соединение с анализатором качества электроэнергии Acuvim II Series через Modbus-TCP / IP, HTTP Post, HTTPS Post, FTP, SMTP для электронной почты и синхронизации времени SNTP.

EnergoM-DT - Тестер разряда и разряда аккумуляторов
EnergoM-DT - Тестер разряда и разряда аккумуляторов

EnergoM-DT - это интеллектуальный тестер заряда и разряда аккумуляторов. Он может использоваться в качестве разрядной нагрузки в автономном состоянии батареи и обеспечивать постоянную разрядку заданного значения путем непрерывного регулирования разрядного тока

EYN - Манометр давления заполненный глицерином
EYN - Манометр давления заполненный глицерином

Манометр давления серии EYN используется при высоких динамических пульсациях давления или вибрацях. Подходит для агрессивных сред: газообразных или жидких.

FM010 - Шинный модуль к Modbus-регулятору для вентиляторных конвекторов
FM010 - Шинный модуль к Modbus-регулятору для вентиляторных конвекторов

FM010 - Встраиваемый коммуникационный шинный модуль к Modbus-регулятору THERMASREG®.

FSTF1 - Датчик комнатной температуры для скрытой установки
FSTF1 - Датчик комнатной температуры для скрытой установки

FSTF1 - Датчик температуры в помещении в плоской рамке для выключателей, для скрытой установки с пассивным выходом. Исполнение с датчиком.

FSTFxxLT - Датчик комнатной температуры для скрытой установки
FSTFxxLT - Датчик комнатной температуры для скрытой установки

FSTFxxLT - Датчик температуры в помещении с элементами управления, в плоской рамке для выключателей, для скрытой установки с пассивным выходом.

HFTM - Датчик температуры втулочный с измерительным преобразователем температуры, калибруемый, с активным выходом
HFTM - Датчик температуры втулочный с измерительным преобразователем температуры, калибруемый, с активным выходом

HFTM - калибруемый измерительный преобразователь температуры THERMASGARD® с втулочным датчиком, с аналоговым выходом.

KH-30 - Гигростат электронный канальный, одно- и двухступенчатый, включая присоединительный фланец
KH-30 - Гигростат электронный канальный, одно- и двухступенчатый, включая присоединительный фланец

KH-30 - Электронный канальный гигростат и датчик влажности HYGRASREG®, с аналоговым и двумя релейным выходами, с настраиваемым гистерезисом, доступен на выбор в исполнениях с дисплеем (для отображения измеренных величин) или без дисплея, класс точности ±3% относительной влажности.

SPC-63-1181 - Сигнализатор газа ClO2, газоанализатор диоксида хлора
SPC-63-1181 - Сигнализатор газа ClO2, газоанализатор диоксида хлора

SPC-63-1181 - сигнализатор газа диоксида хлора (ClO2) предназначен для измерения и мониторинга паров диоксида хлора (ClO2).